Atlas-210x/215x AGC Modificatie
![]()
![]()

AGC
|
De eerste versie. |
De automatische sterkte regeling (AGC, automatic gain control) in Atlas series wordt opgewekt door gelijkrichting en verdubbeling van het audiosignaal. Dit systeem werkt trager dan een AGC dat betrokken wordt uit een HF of MF deel van de ontvanger. Men merkt dat door onder ander het "ploppen" van de audio als op een sterk signaal afgestemd wordt.
Beter werkt een dubbelfase gelijkrichting waardoor ook het ploppen niet meer voorkomt bij het inkomen van sterke zenders. Mijn ontwerpen hebben het voordeel dat er niets aan print PC-300 verandert, want de extra componenten kunnen aan de koperzijde (fig») gemonteerd worden. De opamp 741 werkt voor het laagfrequente signaal als fasedraaier van 180° en twee extra 1N4148 diodes vormen samen met D310 en D302 een bruggelijkrichter. Een diode naar de niet inverterende ingang is er alleen maar om dezelfde gelijkspanning te krijgen op beide ingangen van de opamp.
|
De verbeterde versie. |
|
Bij gelijkrichting is het beter om diodes aan te sturen door een bron met een lage impedantie. In het eerste ontwerp gebeurt dat alleen voor één paar diodes. Daarom ontstond het idee om de schakeling uit te bereiden met een niet inverterende buffer zodat de bruggelijkrichter in zijn geheel gevoed wordt uit een bron met lage impedantie.
Bovendien kunnen in dezelfde 8 pen DIL behuizing ook 2 opamps zitten. Beide schakelingen doen het bij zeer sterke signalen beter dan het originele ontwerp. De ontvangst is rustiger geworden met minder vervorming is mijn indruk. Waarschijnlijk omdat de AGC bron nu belast wordt met een hogere impedantie. Merk op de weerstand R315 (PC-300C) of R309 (PC-300D) in beide ontwerpen hebben niet dezelfde waarde en nummering.
Atlas is nooit consequent geweest met het nummeren van componenten bij diverse wijzigingen in hun schema's. Ook werden de modificaties niet altijd bijgehouden in hun INSTALLATION OPRERATION AND MAINTENANCE. Het komt voor print niet overeenkomt met het afgebeelde schema. Het is zelfs zo erg dat twee van mijn PC-300C printen qua schema niet hetzelfde zijn!

De verbeterde versie aangebracht in 3 Atlas transceivers.
De spanning op pin 5 van Q201 op PC-200 mo
et zonder ontvangst meer dan ± 4 V zijn voor een goede werking van de AGC. Omdat deze pin via een 2.2 kΩ weerstand verbonden is met pin 7 van Q301B, hebben beide punten vrijwel dezelfde spanning. Hier werd bij afkoppeling van de antenne en met R315 (PC-300C), R309 (PC-300D) = 1.5 kΩ een spanning verkregen van 4.36 V op punt A (pin7 Q301B) zodat aan de eis van meer dan 4 V op Q201 (pin5) voldaan is.De goede werking werd later nog eens bevestigd toen ik in het bezit kwam van een Atlas-215x. Bij het luisteren op de 80 m band trad vervorming op als op sterke stations werd afgestemd. Toen de originele PC-300C werd vervangen door de afgebeelde reeds aangepaste PC-300B, was er geen vervorming meer.

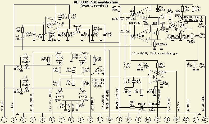
De uitroeptekens geven het belangrijkste verschil aan met PC-300C. Mijn PC-300C is bijgewerkt tot PC-300D.

PC-300D met verbeterde AGC.
Meer artikelen over Atlas-210x/215x:
Algemene informatie VFO stabilisator Post mixer buffer versterker Atlas-210x 17 m modificatie Speech processor![]()